产品搜索

IEM电预塑系列CM 系列FMB 系列FMC 系列NHM(S) 系列GHM 系列EPMZ 系列RM&PMS系列行星 减速机OILW 行走减速机OILH 液压绞车

CHNENG

  • EPMZ 系列

    为满足市场需要,宁波英特姆液压马达有限公司推出一种利用行星减速原理的内啮合摆线齿轮式的低速大扭矩液压马达-----EPMZ系列摆线液压马达,包括轴配油和端面配油两种结构,其结构简单,低速性能好,短期超载能力强,与同排量的其它类型液压马达相比,具有体积小、重量轻、输出扭矩大等优点。该马达可广泛应用于工程机械、农业机械、交通运输、石油采矿、机械制造等行业,如注塑机的调模,特别适用于立式塑机的预塑以及油压机、带式锯床、输送机、收割机、油管钳、机械手、马路清扫车、起重吊车等机械设备。




产品特点

1.采用先进的摆线针轮转定子参数设计,启动压力低,效率较高并保持性好,运转平稳。

2.采用高耐压油封,可承载较高背压,可串并联使用。

3.联动轴特殊设计,马达使用寿命长。

4.特殊配流系统参数设计,满足低噪音要求。

5.马达结构紧凑,安装方便。

6. 结构设计先进,功率密度大。

  • 应用范围

    可广泛应用于工程机械、农业机械、交通运输、石油采矿、机械制造等行业,如注塑机的调模,特别适用于立式塑机的预塑以及油压机、带式锯床、输送机、收割机、油管钳、机械手、马路清扫车、起重吊车等机械设备。

EPMZ 系列

以下数据为实测所得,仅用于对产品描述及应用参考,因实际使用等诸多原因,不视为产品实际应用的性能保证。英特姆保留对样品中的产品参数、尺寸及其性能进行修改的权利,如有变更,恕不另行通知。版权所有,禁止未经过宁波欧易及英特姆公司书面授权的任何局部或整体内容复制与使用。


型号

排量

(ml/r)

最大工作压力

(MPa)

转速范围

(rpm)

最大输出功率

(KW)

配流形式
EPMZM8-501440-19503.2轴配流
EPMZ

EPMZM-5--32P-7.jpg

EPMZR-3--32P-7.jpg

36-50017.530-150013
EPMZR

EPMZR-3--32P-7.jpg

36-3752030-125015
EPMZH200-5002030-36618.5
EPMZ1EPMZ1-1-32P-18.jpg50-40016.530-87911.9
EPMZ2
125-4002030-50011
EPMZ3

500-630 2020-20017
EPMZSEPMZS-1-24.jpg

80-3752130-30023.5端面配流
EPMZSYEPMZY-1--32P-7.jpg80-47522.58-80025
EPMZT160-8002430-62540
EPMZV315-10002410-51056


加载更多>>

产品标识说明

EPMZ中文选型指南.jpg

注意事项

为EPMZM、EPMZ、 EPMZR、 EPMZH、 EPMZ1、EPMZ2、EPMZ3、EPMZS、 EPMZSY. EPMZT、 EPMZV摆线液压马达在

最佳状态下工作,兹推荐:

1、油温:正常工作油温20°C-60°C ,最高系统工作温度90°C (不应超过1小时)。

2、滤清器及油液清洁度等级:滤清器过滤精度为10-30微米,最好在油箱底部加装磁块阻止金属屑进入系统。工作油液固体污染

等级不得高于19/16。

3.油粘度:油温在40°C时的运动粘度为42-74m m/s ,可根据实际:工作和环境温度选用液压油。

4、马达可串联或并联使用时背压超过10MPa(转速超过200rpm) ,必须使用外泄油口泄压,最好将外泄口与油箱直接连通。

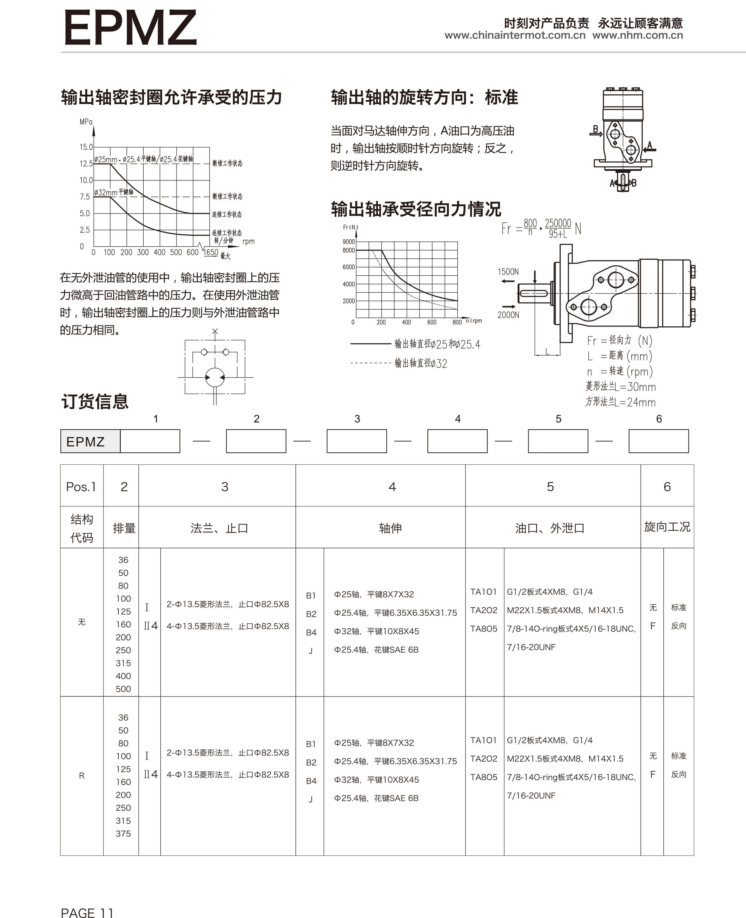
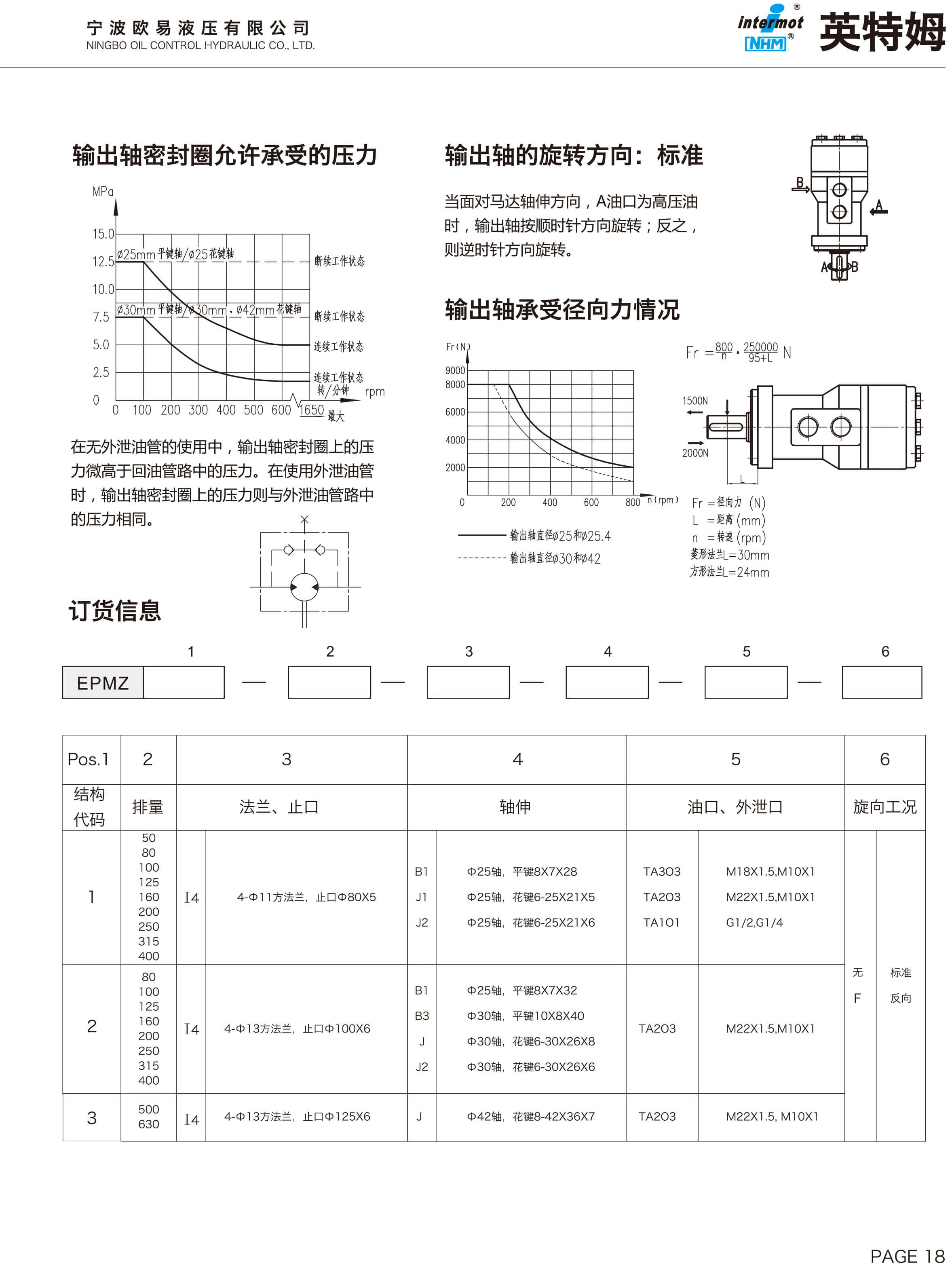
5、EPMZ、EPMZR系列马达输出轴可根据用户需要选用:

5.1带径向轴承可承受径向负荷;

5.2不带径向轴承不能承受径向负荷,有径向负荷作用在输出轴时,应附加卸载装置。

6、EPMZ1、EPMZ2、 EPMZ3系列马达均可承受径向负荷;而不能承受大的轴向负荷。

7、EPMZS、EPMZSY. EPMZT、 EPMZV系列马达输出轴可承受较大的轴、径向负荷。

8、马达使用最佳工况应选择额定工况1/3-2/3处。

9、为使马达有长的使用寿命,在给马达加负荷时应先以额定压力的30%运行约1小时,在任何情况下给马达加负荷前应确保马达内充满油液。

计算公式

① 液压马达的实际输出扭矩:M=0.159(P1-P2)V·ηm(N.m)
式中:P1、P2---------------------分别为液压马达的入口和出口压力(MPa)
V---------------------------------------------------------液压马达的排量(ml/r)
ηm----------------------------------------------------液压马达机械效率(%)

② 液压马达输出功率:
N=(M·n)/9950(kW)N=[q(P1-P2)/60000]·ηm·ηv(kW)
式中:n--------------------------------------------------液压马达的转速(r/min)
q----------------------------------------------------输入液压马达的流量(ml/min)
ηv------------------------------------------------------液压马达容积效率(%)

③ 液压马达的转速:
n=q/V·ηv(r/min)